首页
关于我们
公司概况
企业文化
发展历程
企业荣誉
公司架构
核心产品
全自动玻璃盖板印刷系
全自动烘烤炉系列
3D玻璃全制程系列
其他
新闻中心
公司动态
行业资讯
视频中心
投资者关系
实时行情
公告
信息披露
招贤纳士
员工福利
招贤纳士
投送简历
亿德体育网页亿德(中国)_亿德(中国)
EN
/
中文
语言
导航
EN
中文
首页
关于我们
公司概况
企业文化
发展历程
企业荣誉
公司架构
核心产品
全自动玻璃盖板印刷系
全自动烘烤炉系列
3D玻璃全制程系列
其他
新闻中心
公司动态
行业资讯
视频中心
投资者关系
实时行情
公告
信息披露
招贤纳士
员工福利
招贤纳士
投送简历
亿德体育网页亿德(中国)_亿德(中国)
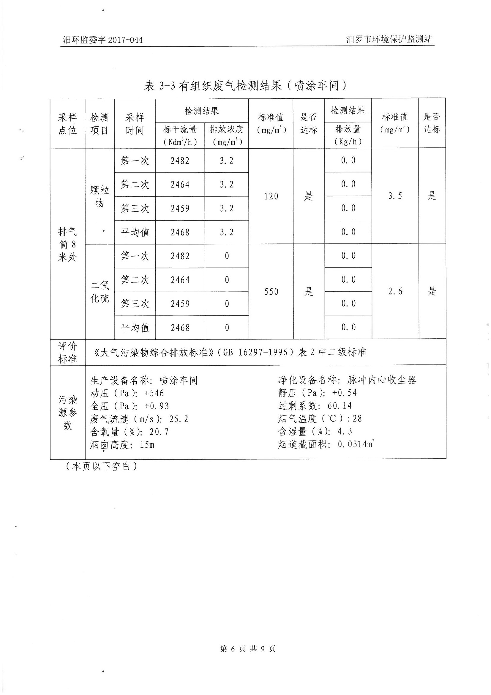
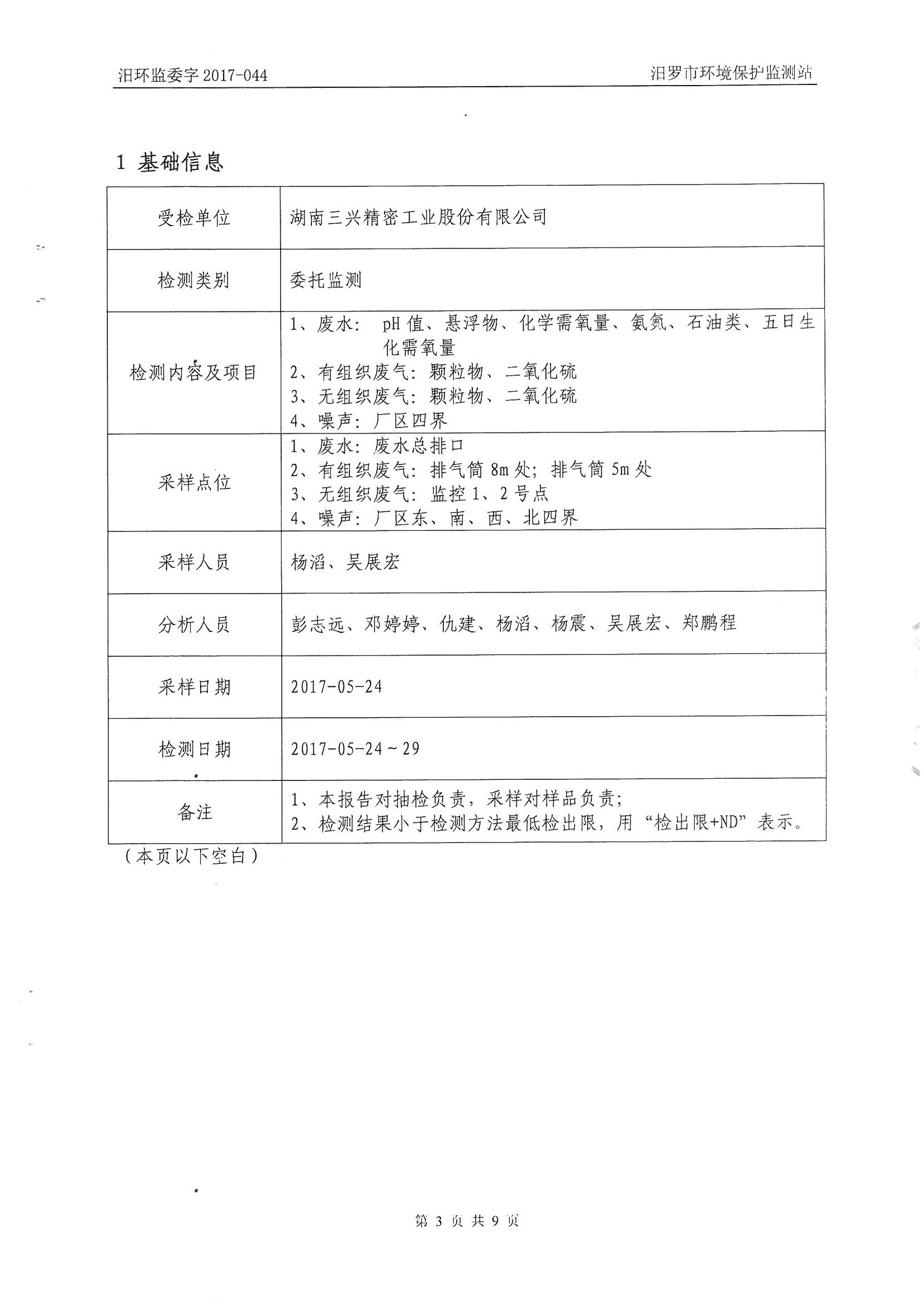
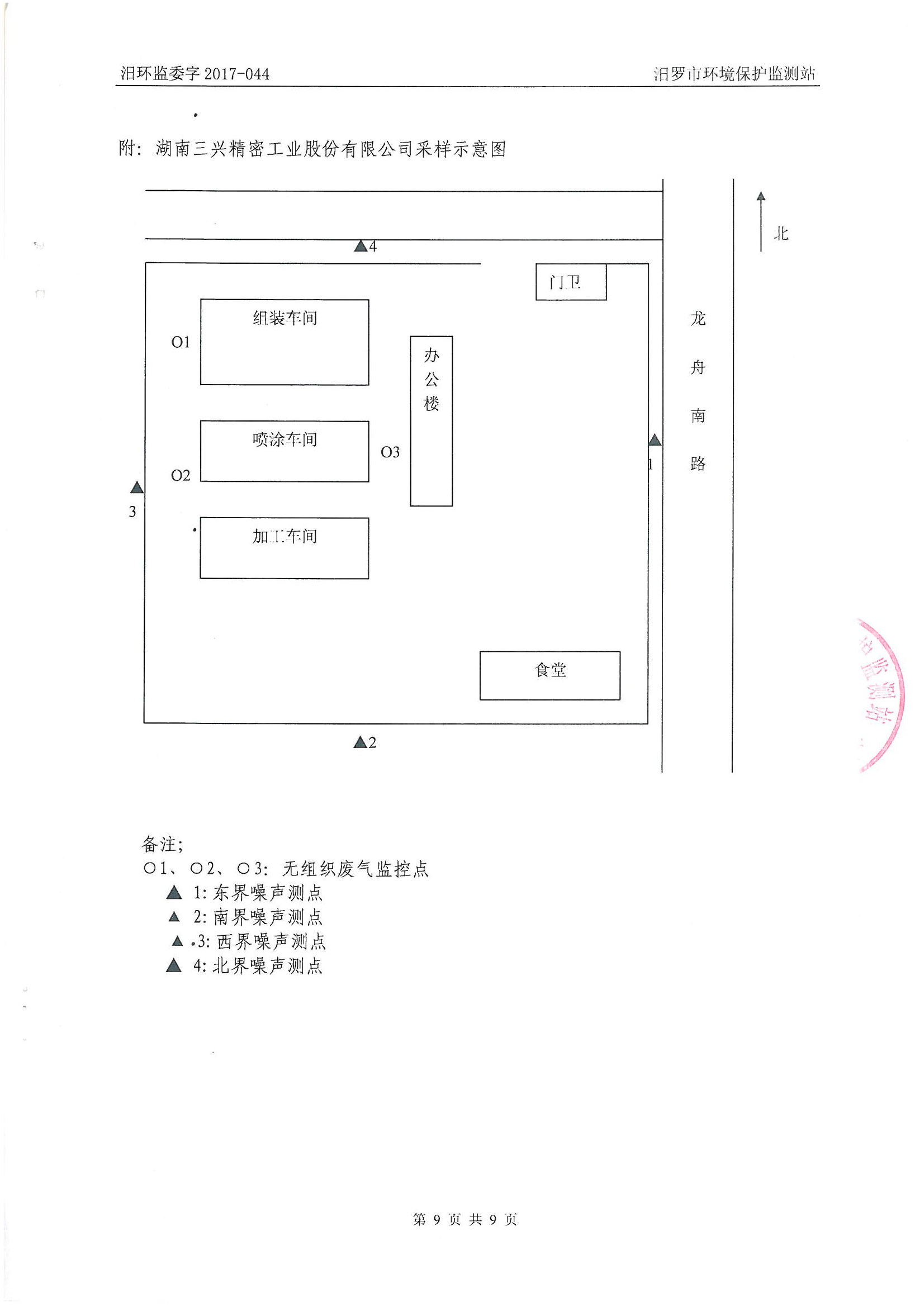
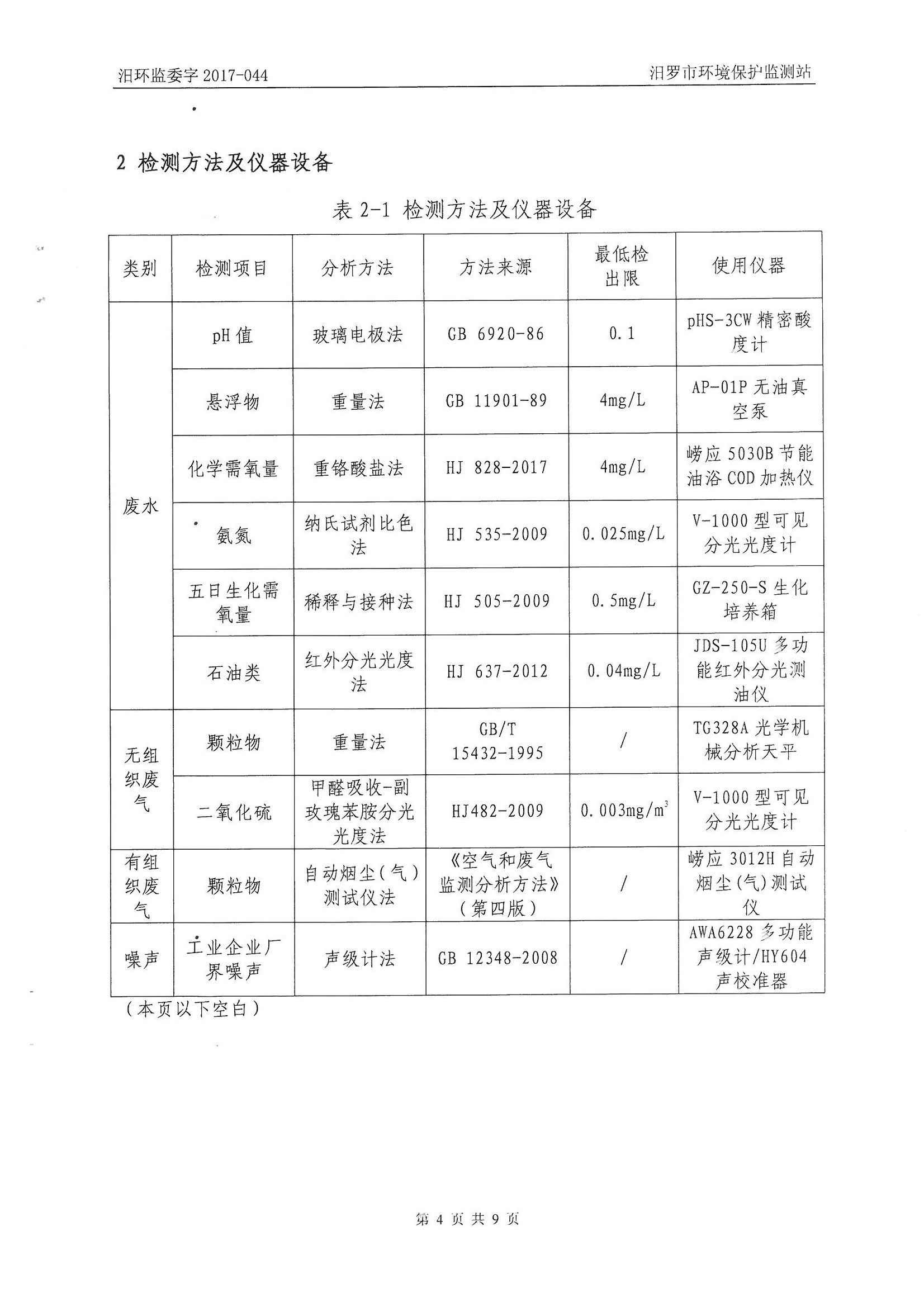
亿德体育网页亿德(中国)_亿德(中国)环保监测报告
所属分类:
公司动态
发布时间:
2017-08-22
分享到:
Copyright © 2014-2016 亿德体育网页亿德(中国)_亿德(中国) 版权所有 湘ICP备17016185号 执照认证链接
关闭
HAOBO.COM
|
米兰体育线上平台
|
安博注册_安博(中国)
|
米兰站(中国区)官方网站
|
亿德电子网站_亿德(中国)
|
安博官方网站
|
优德体育网站丨中国有限公司官网
|
好博在线_好博(中国)
|
好博网电脑版_好博(中国)
|